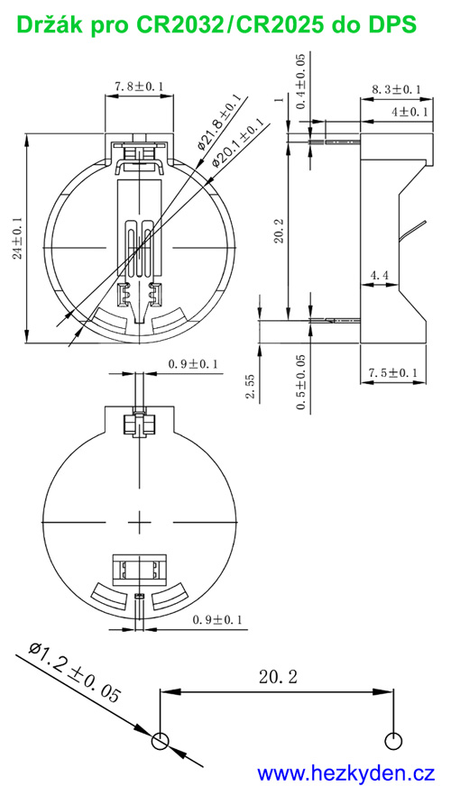
Černé plastové pouzdro/držák pro baterii CR2032 nebo CR2025. Vývody pouzdra do desky plošných spojů.
Kvalita především
Tyto držáky se vyrábějí ve dvojím provedení. Se železnými (pocínovanými nebo niklovanými vývody) a s měděnými pocínovanými vývody.
Jak vám může být po přečtení prvního řádku asi jasné, železný nekupujeme. Ten je za poloviční nákupní cenu, proto ho dostanete všude, jen vám neřeknou, z čeho jsou ty kontakty. Prodejci to stejně většinou ani nevědí/netuší/neřeší, jen posunují krabice a počítají zisky. Když budete po Internetu kupovat takovéto věci od konkurence, magnetem to zjistíte až doma 🙂
Jde mi o spolehlivost a trvanlivost konstrukcí. Pokud můžu, raději na úkor zisku volím kvalitnější produkt.
Označení
DS1092 nebo DS1092-04-B6P
Praktické info
Pokud nestačí 3 V a je potřeba dvojnásob, tedy 6 V, stačí dát dvě CR2016 na sebe.
Osobní info
Já sám jsem tyto bateriové držáky pro CR2032 vytahoval z počítačových základních desek. Poslední dobou mi do prodejny čím dál častěji přicházejí zákazníci, kteří nemají zrovna po ruce nějaký motherboard, a žádají po mně tato bateriová pouzdra CR2032. Tak jsem je nakonec začlenil do sortimentu.
Rozměry a otvory do DPS






